Back

X36D

GNSS/INS 高精度组合导航系统

双天线定位定向

  

X36D 高精度组合导航系统采用车规级设计,基于北云自研 GNSS 高精度芯片,搭载了满足功能安全 ASIL B 等级要求的高精度 IMU,支持全系统全频点,配备车载以太网、串口、CAN/CAN FD 和 PPS 接口。凭借十年 RTK 算法技术积累和强大的深耦合算法,本导航系统动态性能优势明显,能够有效地应对卫星信号干扰、丢失等苛刻环境,为载体提供连续、稳定和可信的高精度位置及姿态信息。

 

查看产品选型和性能参数

GNSS/INS 高精度组合导航系统


X36D 组合导航系统内置全温标定高精度 IMU,支持双天线 RTK 定位定向,采用深耦合组合导航算法,能够有效地应对卫星信号干扰、丢失等苛刻环境,提供稳定、连续、可信的高精度位置与姿态信息。

X36D 组合导航系统根据汽车等载体的特性建模,并针对性优化相关场景应用,使系统不惧地库、隧道、高架桥、城市街道和港口等复杂场景,有效应对遮挡、高速公路信号干扰等环境,为智能汽车等载体提供连续、稳定、可信和实时的高精度位置服务。

索取报价

在线咨询:

快速使用指南视频

 
Watch the video
产品特征

产品特征

自研高精度GNSS芯片

内置通过AEC-Q100认证的北云自研高精度GNSS芯片,支持全系统全频点GNSS信号,包括BDS-3、Galileo等现代化信号体制。

深耦合组合导航引擎

内置的高精度IMU均经过全温标定,改善零偏稳定性等关键指标,航位推算精度大幅提升。采用深耦合组合导航算法,提升GNSS信号观测质量,配合高精度IMU,在城市峡谷等环境中,定位精度较松耦合算法可提升2~5倍。

高精度GNSS测量与定位引擎

采用Bynav REAL (Ransac Enhanced Advanced Location) GNSS定位引擎,内置完好性监测和部分模糊度解算算法,适应各种复杂环境,在卫星信号丢失或受到干扰等苛刻环境下,依然能够在一段时间内保持可靠、稳定的定位性能。

可拓展性

支持多种接口,如车载以太网、CAN/CAN FD、RS232串口等,同时还支持PPS和gPTP时间同步,可与其他传感器(如LIDAR、SLAM 等)协同工作。

场景优化

针对车载应用进行优化:根据汽车特性建模,能够应对复杂的城市道路(地库、高架桥、隧道、城市街道、港口等)遮挡、高速公路信号干扰等环境,为智能汽车应用提供连续、稳定、可信的实时高精度位置服务。

产品特点

产品特点

- 基于自研高精度GNSS芯片

- 深耦合GNSS/INS组合导航引擎

- 内置满足功能安全 ASIL B 等级高精度 IMU

- 支持车载以太网等多种接口

- 专用REAL RTK 定位引擎

- 支持全系统全频点RTK解算

- 支持BDS-3、Galileo等现代化信号体制

- 支持 GNSS 和 IMU 原始数据输出与后处理

- 超低定位解算延迟

性能指标

型号

X36D
卫星信号

GPS
GLONASS
BDS-2
BDS-3
QZSS
Galileo
NavIC

L1 C/A、L2、L5
G1、G2
B1I、B2I、B3I 
B1I ,B1C、B2a、B2b,B3I
L1 C/A、L2、L5
E1、E5b、E5a
L5*

水平定位精度

单点
RTK

1.5 m(RMS)
1 cm + 1 ppm(RMS)

高程定位精度

单点
RTK

2.5 m(RMS)
1.5 cm + 1 ppm(RMS)

首次定位时间

冷启动
温启动
热启动

≤35 s
≤30 s
≤7 s

最大数据率 GNSS原始观测量
GNSS RTK 定位
INS组合导航定位
IMU原始数据率
5 Hz
5 Hz
100 Hz
100 Hz
测量精度 载波相位 ≤1 mm(RMS)
伪距 L1CA,L2,G1,G2 ≤0.12 m(RMS)
其他信号 ≤0.06 m(RMS)

授时精度
测速精度
速度极限
加速度极限

20 ns(RMS)
0.03 m/s(RMS)
300 m/s
6 g
GNSS信号中断性能

型号

中断时间

定位模式

定位精度/m(RMS)

测速精度/m/s(RMS)

姿态精度/°(RMS)

      水平 垂直 水平 垂直 横滚角 俯仰角 方位角

X36D

0秒

RTK

0.015

0.020

0.019

0.014

0.018

0.018

0.084

后处理

0.010

0.020

0.016

0.012

0.008

0.008

0.030

10秒

RTK

0.235

0.140

0.058

0.024

0.035

0.035

0.110

后处理

0.015

0.020

0.020

0.017

0.010

0.010

0.034

 

 

内置 IMU 性能指标

型号

X36D

陀螺仪

量程(deg/s)

±300°/s

零偏重复性(deg/s)

0.5°/s

零偏稳定性(deg/h)

1.8°/h (XY)
1.4°/h (Z)

角度随机游走(deg*h^-0.5)

0.09°/√h (XY)
0.10°/√h (Z)

加速度计

量程(g)

±6g

零偏重复性(mg)

20mg

零偏稳定性(ug)

15μg

速度随机游走((m/s)*h^-0.5)

0.035m/s/√h

其他规格

型号

X36D
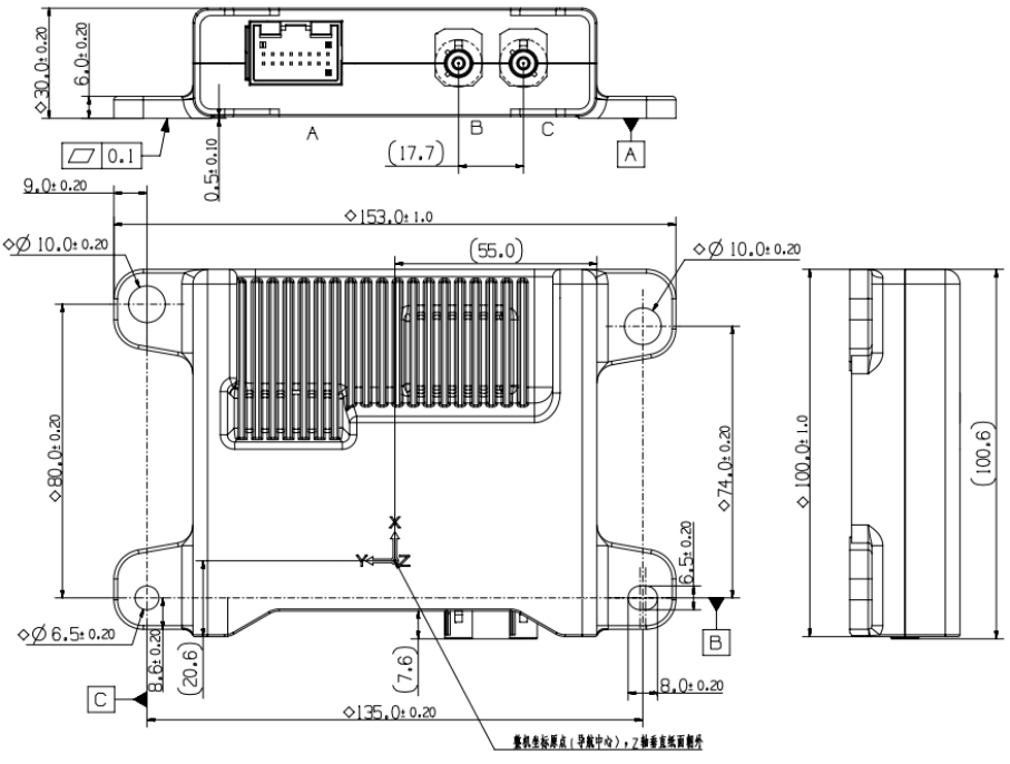
尺寸 153×100×30 mm
重量 290±30 g

Application

应用范围

本产品可以提供实时、连续、可信的厘米级定位结果,以及速度、姿态等信息,可用在无人驾驶、地图测绘等场景。

  • 自动驾驶
    自动驾驶

    高精度定位是自动驾驶系统的核心传感器之一。北云科技的组合导航产品能够在城市峡谷、高架桥、林荫道、隧道、地下停车场、信号干扰等卫星信号遮挡或缺失的苛刻场景下,为智能汽车提供实时、连续、可信的厘米级位置与姿态信息。已经广泛应用在无人扫地车、自动驾驶重卡、机器人、智能网联汽车等行业中。

    应用案例

  • 地图测绘
    地图测绘
    地图测绘
  • 无人船
    无人船
    无人船
  • 精准农业
    精准农业
    精准农业
  • 无人车
    无人车
    无人车

    扫地车、巡逻车及末端物流配送车等

Mass Production and Quality

量产与质量

北云科技拥有全面的车规级质量体系认证、流程认证、开发能力认证及产品认证,基于车规级质量管理理念,依托高精密实验设备、智能化仓储系统、装测一体全自动化生产线以及数字化管理系统,构建了稳健的规模化量产能力与车规级品控能力,为客户持续提供稳定、可靠、品质卓越的产品。

GNSS/INS 高精度组合导航系统

车规级全自动化生产线:

拥有多条高精度定位整机及模块全自动装配及测试一体化产线,可对单件产品进行从原材料批次到最终出货测试数据的全生产周期精确追溯。

 

车规认证:

ISO 26262 功能安全流程认证、ISO 26262 功能安全产品认证、ISO 21434 汽车网络安全管理体系认证、IATF 16949 质量体系认证、ASPICE 认证、AEC-Q 系列认证等。

 

数字化、信息化管理系统:

融合 ERP 管理系统IWMS 仓管系统和 MES 生产执行系统,对产品的原料采购、仓储、生产组装、测试、标定及订单、工单等各项关键数据进行记录,实现全过程可追溯性管理。

 

实验能力:

规模化 IMU 标定中心、卫星导航实验室、耐久/环境实验室、三温测试、功能测试、光学/视觉检测等。

Trial application

索取报价

如果您对我们公司的产品有兴趣,请填写下面表格,我们会尽快和您取得联系。

验证码
遇到问题需要帮助吗?

有一个无法解决的问题或大胆的想法?我们很乐意听到它。

请您填写邮箱地址,以获得下载权限。